Нов тип двигател за електрически инструменти
Класификация: DC мотор
Приложение: Маша за коса, мотор за електрически инструменти, блендер, мелачка, отварачка за бутилки, отварачка за врати и т.н.
Забележки: Моторите могат да бъдат проектирани според изискванията на клиента
Нов тип двигател за електрически инструменти
Нов тип електрически двигател с инструменти е устройство, което може да преобразува електрическа енергия в механична енергия за работа. Основните му компоненти включват самия двигател, въртящи се части и изходящи части. Принципът на работа на електромотора от нов тип се основава на принципа на взаимодействието на магнитното поле. По-конкретно, той използва взаимодействието между магнитното поле, генерирано от електромагнита на статора, и магнитното поле, генерирано от постоянния магнит на ротора на двигателя, за да постигне изхода на работна механична енергия. По време на целия процес електрическата енергия се въвежда в електромагнитната намотка на статора на двигателя, за да генерира въртящо се магнитно поле и това магнитно поле ще действа върху постоянната магнитна намотка на ротора на двигателя, като по този начин генерира въртящо се магнитно поле върху ротора за задвижване Въртящите се части на електроинструмента вършат работата.
1. Описание на продукта
Нов тип двигател за електрически инструменти се отнася до основния компонент, който може да преобразува електрическата енергия в механична енергия и да управлява работата на електрически инструменти. Електрическият двигател е двигател с висока ефективност, нисък шум, ниски вибрации, добър контрол и надеждност и се използва широко в декорацията, строителството, дървообработването, металообработката, автомобилната, авиационната и други индустрии.
Класификацията на електрическите двигатели от нов тип се разделя главно на: двигател с постоянен ток (DC) и двигател с променлив ток (AC) според типа на двигателя. Относително казано, DC моторът е електроинструмент с по-добър режим на управление, електрически характеристики и механични характеристики. В електроинструментите обикновено се използват DC безчеткови двигатели. Поради тяхната проста структура и липсата на нужда от четки, този двигател намалява възможността от повреда на двигателя и подобрява живота и стабилността на двигателя.
Основните части на електроинструменталния двигател от нов тип са роторът и статорът. Статорът се състои от намотки, котви, железни сърцевини и т.н., а роторът се състои от четки, роторни сърцевини и магнитоелектричен потенциал, индуциран от силно магнитно поле.
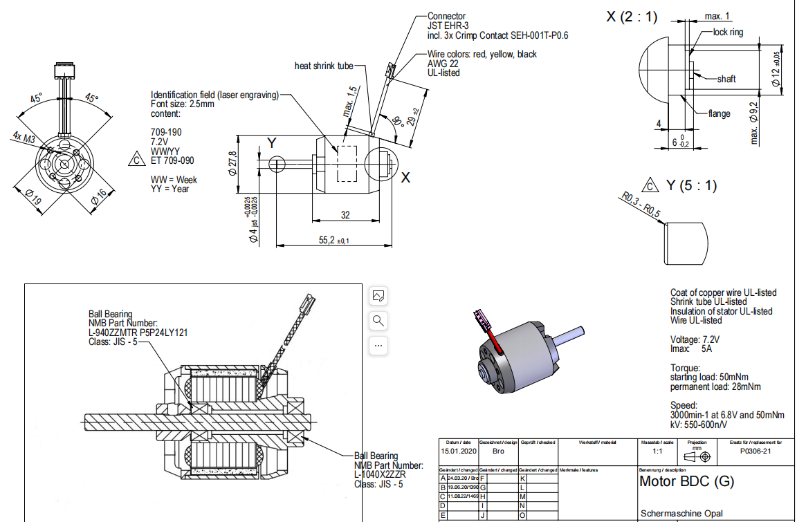
2. Параметри на продукта

3.Fхранене
1. Висока ефективност и икономия на енергия
В сравнение с традиционните инструменти, задвижвани с бензин или газ, енергийната ефективност на електрическите двигатели от нов тип е широко призната. В процеса на задвижване на традиционни инструменти загубата на енергия често е относително голяма, докато двигателите на електрически инструменти могат да преобразуват електрическата енергия в механична енергия, за да постигнат високоефективно предаване и преобразуване. В същото време електрическият двигател на инструмента може също така да реализира функциите за адаптиране на натоварването и регулиране на мощността по време на работа, така че да минимизира консумацията на енергия и да постигне висока ефективност и икономия на енергия.
2. Висока скорост и висока ефективност
Друга изключителна характеристика на електродвигателите от нов тип е високата скорост и висока ефективност. Двигателите на електроинструмента могат да постигнат високоскоростно въртене при различни условия на натоварване и могат също така да реализират автоматично регулиране на мощността при променящи се среди на натоварване, като по този начин подобряват ефективността на работа. Например, когато използвате електрическа бормашина, моторът на електрическия инструмент може да направи свредлото по-стабилно и да постигне ефективно пробиване чрез еднаква скорост.

3. Лек и преносим
Двигателите на електроинструментите не само работят добре и са ефективни при работа, но техните леки и преносими функции ги правят идеални за използване на открито или в други относително малки работни пространства. В сравнение с традиционните инструменти, той заема по-малко място и тежи по-малко. В същото време някои електрически инструменти могат да постигнат различни функции чрез замяна на различни глави. Този дизайн е не само по-гъвкав, но и по-лесен за носене и използване.
4. Нисък шум
В сравнение с традиционните бензинови или газови инструменти, шумът, генериран по време на употреба, е значително традиционен, а електрическият двигател от нов тип е представител на ниско ниво на шум. Тази характеристика с ниско ниво на шум е много привлекателна за повечето хора. Независимо дали става въпрос за домашна работа, или в офиси и промишлени предприятия, двигателите на електрическите инструменти могат да завършат работата, без да засягат нормалния живот, работа и производство на другите.
5. Силна надеждност
В сравнение с традиционните инструменти, електрическите двигатели от нов тип са по-безопасни и по-надеждни по време на употреба. Това се дължи на много финия дизайн на вътрешната му структура и принцип на работа. Материалите с ниска абразия и висока издръжливост, използвани вътре в двигателя на електрическия инструмент, както и новият дизайн на двигателя, който не изисква поддръжка и е издръжлив, не само подобряват ефективността на работа, но и гарантират неговата дългосрочна надеждност.
За да обобщим, електрическите двигатели от нов тип имат серия от характеристики като висока ефективност и икономия на енергия, висока скорост и висока ефективност, леко тегло и преносимост, нисък шум и висока надеждност. Като важна част от съвременните инструменти, двигателите за електрически инструменти са широко използвани и популяризирани. С непрекъснатото развитие на технологиите и индустрията, електродвигателите на инструментите ще продължат непрекъснато да се надграждат и подобряват, носейки по-голямо удобство в нашия живот и работа.
4. Приложение
1. Електрически инструменти
На първо място, електроинструментите са най-типичното приложение на двигателите на електроинструментите. Електрическите инструменти използват високоскоростното въртене на двигателя, за да задвижват инструмента и след това извършват различни обработки, подрязване, шлайфане и друга работа. Има много видове електрически инструменти, вариращи от обикновени електрически бормашини, електрически чукове и електрически триони до по-сложни електрически скутери, електрически велосипеди и електрически мотоциклети, всички от които изискват поддръжката на двигатели с електрически инструменти.

2. Домакински уреди
Електроинструменталните двигатели също се използват широко в производството на домакински уреди, като: различни видове прахосмукачки, перални машини, готварски печки за ориз, индукционни готварски печки, пречистватели на въздух и др. Тези домакински уреди изискват висока ефективност, ниско ниво на шум и електродвигатели с ниска мощност за осигуряване на нормалната им работа. В същото време издръжливостта на двигателите на електрическите инструменти може да удължи живота на домакинските уреди.
3. Опазване на околната среда и нови енергийни полета
През последните години, с енергичното развитие на опазването на околната среда и новите енергийни полета, приложението на двигатели с електрически инструменти става все по-обширно. Например: двигатели за електрически инструменти, необходими за вятърни турбини и слънчеви панели, и тези двигатели за електрически инструменти обикновено изискват висок въртящ момент, нисък шум и ниски вибрации, за да се гарантира тяхната висока ефективност, дълъг живот и надеждност. В допълнение, акумулаторните системи на много нови енергийни превозни средства също изискват поддръжка от двигатели с електрически инструменти.
4. Промишлени машини и оборудване
Двигателите с електрически инструменти се използват широко в различни индустриални машини и оборудване, като: вентилатори, водни помпи, транспортни ленти, корабни витла и др. Тези механични устройства обикновено изискват електрически двигатели с висока мощност, за да се гарантира тяхната висока ефективност, дълъг живот, висока производителност и висока надеждност.
5. Медицинско оборудване
Двигателите с електрически инструменти също се използват широко в медицинско оборудване, като например: различни видове ЕКГ машини, рентгенови апарати, CT скенери, медицински кислородни машини, медицински шини и др. Това медицинско оборудване обикновено изисква специални изисквания като висока точност, ниска шум, ниски вибрации и ниски електромагнитни смущения на двигателите на електрически инструменти. Прилагането на двигатели с електрически инструменти в медицинското оборудване спомага за подобряване на надеждността, ефективността на работа и диагностичната точност на пола на медицинското оборудване.
В заключение, електродвигателят на инструмента е важен промишлен продукт и приложение, а неговата гъвкавост, надеждност и висока наличност са неговите трайни предимства. Въз основа на това двигателите за електрически инструменти могат да се използват в различни видове производство на продукти, включително електрически инструменти, домакински уреди, опазване на околната среда и нови енергийни полета, индустриални машини и медицинско оборудване и др., и може да подобри ефективността на производството на продукти, качеството на обработка , използвайте Живот и безопасност и след това насърчавайте икономическото развитие и социалния прогрес.
5.Опазване
1. Поддържайте чистота
Почистването е най-основният елемент в рутинната поддръжка на двигателите на електрическите инструменти. След като използвате електромотора от нов тип, не забравяйте да го почистите. Ако има масло или прах по повърхността на двигателя, той може да се избърше с мека влажна кърпа. Ако има петно, което трудно се премахва, може да се почисти с малко количество препарат. Въпреки това, когато използвате почистващия препарат, внимавайте да не капе във вътрешността на двигателя на електрическия инструмент, за да избегнете риска от късо съединение или окислителна корозия.
2. Редовен преглед
Редовната проверка е едно от важните звена в ежедневната поддръжка на електродвигателите от нов тип. Преди да използвате мотор на електроинструмент, внимателно го проверете за пълна цялост на проводници, щепсели, изолация и т.н., както и за пукнатини или оголени проводници. Ако бъде открита повреда или дефект, незабавно спрете да го използвате и го поправете или сменете навреме. Освен това, в процеса на използване на двигателя на електрическия инструмент, е необходимо периодично да се проверява неговото износване и работно състояние и да се регулира и поддържа навреме.
3. Правилно смазване
Правилното смазване е едно от важните звена в ежедневната поддръжка на електрически двигатели от нов тип. Обичайните моторни смазки за електроинструменти включват смазочно масло, вазелин, восък и др. Смазочното масло е подходящо за високоскоростни въртящи се части, вазелинът е подходящ за хидравлични системи и осцилиращи части, а восъкът е подходящ за плъзгащи се части като направляващи релси и винтове. Когато използвате лубриканти, обърнете внимание на правилния метод и дозировка и не използвайте твърде много или твърде малко.
4. Поддържайте нормална температура
Поддържането на нормална температура е едно от важните звена в ежедневната поддръжка на New Type Electric Tool Motors. Твърде високата или твърде ниската температура ще повлияе на работния ефект и експлоатационния живот на двигателя на електрическия инструмент. Ако двигателят на електроинструмента се нагрее силно по време на работа, спрете да го използвате навреме, проверете дали охладителната му система е нормална и дали е необходима смяна на радиатори и друго оборудване. В същото време трябва да се внимава да не се излага двигателят на електрическия инструмент на среда с висока или ниска температура за дълго време, за да не се повлияе на работата и експлоатационния живот на двигателя.
За да обобщим, ежедневната поддръжка на електрически двигатели от нов тип е много важна. Той може не само да подобри ефективността на двигателя, да удължи живота му, но и да гарантира нашата безопасност. При ежедневната поддръжка трябва да обърнем внимание на поддържането на чистота и хигиена, редовното инспектиране на повреди и ремонт на части, правилно смазване и поддържане на нормална температура и т.н. Когато има проблем, трябва да вземем навременни мерки, за да гарантираме, че двигателят на електрическия инструмент винаги е в добро работно състояние. Вярвам, че докато внимателно поддържаме и защитаваме двигателя на електрическия инструмент, той определено ще ни донесе повече удобство и комфорт.
6. ЧЗВ
В: Как да преценя качеството на двигателя на електрическия инструмент?
Отговор: Качеството на двигателя на електрическия инструмент се определя главно от следните аспекти: мощност, скорост, материал, процес и производствен процес на двигателя. Най-общо казано, познаваемостта на марката, репутацията на продукта, следпродажбеното обслужване и други аспекти също трябва да се вземат предвид.
Въпрос: Как да поддържате двигателя на електрическия инструмент?
Отговор: По време на използването на двигатели на електрически инструменти трябва да се обърне внимание на ежедневната поддръжка и почистване. Преди всичко, за да осигурите нормалната работа на двигателя на електрическия инструмент, проверете дали кабелите на двигателя са здрави. Второ, двигателят трябва да се почиства редовно, особено четките и радиатора, за да се осигури нормална работа и безопасно използване на двигателя.
Въпрос: Как да избегнете повреда на двигателя на електроинструмента?
Отговор: Когато използвате двигатели за електрически инструменти, трябва да обърнете внимание на предназначението и употребата на двигателя и в същото време да следвате инструкциите и предпазните мерки за безопасност на производителя на двигателя на електрическия инструмент. Ако има необичайна ситуация, захранването трябва да се изключи навреме, за да се избегнат ненужни загуби или опасност.
Популярни тагове: нов тип двигател за електрически инструменти, Китай, производители, доставчици, фабрика, търговия на едро, персонализирани, оферта, отстъпка, цена, купуване, евтино
Един чифт
DC мотор с ниско напрежениеМоже да харесаш също
Изпрати запитване
















